Seine besondere Stärke zeigt der FALCO in der Vielseitigkeit der Einsatzgebiete. Er findet seine Verwendung z.B. in Wohnhäusern, Werkstätten, Lagern oder Ferienwohnungen. Er dient zudem als Frostschutz (z.B. auf Baustellen) oder der Beheizung von Arbeitplätzen.
Der gute Wirkungsgrad des FALCO wird durch das Zweikammer-Verbrennungssystem gewährleistet. Diese ermöglicht die perfekte Nachverbrennung der Rauchgase. Durch diese Technologie wird ein maximaler Verbrennungsgrad (mehr als 80%) mit einem minimalen Volumen an Restasche und langen Nachlegeintervallen ermöglicht. Diese Art und Weise der Verbrennung ist sehr wirtschaftlich. Dadurch wird die Umwelt geschont und Brennstoff gespart.
Der aufgesetzte Wärmetauscher bietet eine große Fläche gegenüber der kalten Raumluft. Diese wird noch bessr erwärmt und durch den eingebauten Ventilator schnell im Raum verteilt. So gelangt die Wärme auch in größeren Räumen an entfernte Stellen. Ein Wärmestau im Aufstellungsbereich wird vermindert.
Der Ventilator kann direkt am Stromnetz angeschlossen werden (230V). Wir empfehlen Ihnen als optionales Zubehör die Anwendung eines automatischen Reglers der Ventilatordrehzahl LDS (Triac-Regler). Dieses Gerät reguliert stufenlos die Drehzahl des Ventilators in Abhängigkeit von der Temperatur des Warmluftaustauschers und dient gleichzeitig als Thermostatschalter.
Das Gerät ist nach dem Grundofenprinzip aufgebaut und besitzt eine komplexe Verbrennungsluftführung. Der Warmluftofen verfügt über keinen Aschekasten. Das neue Feuer soll auf der Asche des vorherigen Feuers brennen. Das ist besonders effizient und es fällt nur wenig Asche an. Die Restasche wird je nach Bedarf mit einer Schaufel oder einem Aschsauger abgetragen.
Beim FALCO ECO 50 können Holzscheite bis zu einer Länge von 110 cm verbrannt werden. Es besteht auch die Möglichkeit der Verbrennung von nicht gespaltetem Blockholz, dessen Größe sich nach der Größe der Ofentür richtet.
Die Verbrennung des Ofens ist sehr leicht über die Schieberöffnungen in der Tür zu regulieren. Dadurch kann ein langsamer Abbrand eingestellt werden. Die integrierte Scheibenspülung ermöglicht eine langanhaltende, saubere Sichtscheibe und den ungetrübten Blick auf das Flammenspiel.
Der Boden der Brennkammer ist mit glatten, massiven Schamotteplatten ausgekleidet, was eine einfache Entnahme der Asche ermöglicht und die Lebensdauer des Ofens verlängert.
Dieser robuste Kaminofen erfüllt auf Grund seiner zukunftsweisenden Konstruktion die erforderlichen BIMSCHV-Emissionswerte für Deutschland (Stufe II)
Warmluftofen Werkstattofen FALCO ECO 50
Highlights:
– Lange Brenndauer
– Wärmetauscher mit eingebautem Ventilator
– Schnelle Wärmeverteilung auch in großen Räumen
– Vergasungsdüsen aus Edelstahl-Titan im Verbrennungsraum
– Einfache Bedienung der Primärluft
– Hervorragende Verarbeitung
– Brennraum mit massiver Schamotte für lange Lebensdauer
– Niedriger Holzverbrauch
– Airwash-System – Selbstreinigung der Glasscheibe
– Kaminkörper und Kaminfront aus massivem Stahl
– Holzscheite mit einer Länge bis zu 110 cm (auch ungespaltetenes Blockholz] – Hoher Wirkungsgrad durch ein Zweikammerverbrennungssystem (vollständige Verbrennung der Abgase)
– Universell einsetzbar
– 2. Stufe BImSchV für Deutschland
– Kein zusätzlicher Feinstaubfilter notwendig
Technsiche Daten:
– Nennleistung 46 kW
– Leistungsbereich 25 bis 50 kW
– Beheizter Raum 800 m³ bis 1600 m³
– Brennstoffverbrauch 13 kg/St.
– Leistungsaufnahme des Ventilators 170 W
– Wirkungsgrad 85 %
– Mittl. CO-Gehalt der Abgase bezogen
auf 13% O2: < 1250 mg/m³
– Feinstaub: < 40 mg/m³
– Durchmesser des Rauchabgasrohrs 200 mm
– Mindestkaminzug 12 Pa
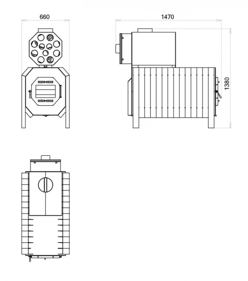
– Höhe 1421 mm
– Breite 660 mm
– Gesamttiefe 1470 mm
– Gewicht 300 kg
– BAUART 1 (selbstschließende Tür – für Mehrfachbelegung am Schornstein geeignet)
Funktionsweise der Steuerung:
Der Regler beinhaltet einen Temperatursensor, der einfach in die dafür vorgesehene Hülse am Wärmetauscher eingelegt und mit einer Schraube gesichert wird. Der Ventilator wird an die Steckdose am Regler angeschlossen.
Der Regler schaltet den Ventilator mit langsamer Drehzahl ein, wenn der Wärmetauscher des Ofens auf 43°C erhitzt wird, und erhöht die Ventilatordrehzahl stufenlos mit der sich erhöhenden Temperatur des Warmlufttauschers bis zur voller Drehzahl. Ist der Brennvorgang beeendet, sinkt die Ventilatordrehzahl allmählich ab und beim Abkühlen des Wärmetauschers unterhalb von 40°C schaltet er den Ventilator ab.
Der Falco ist in den Leistungsausführungen 9 und 14 kW und als Falco ECO mit Ventilator in den Leistungen 8, 12, 20, 30, 40, 50, 80 und 120 kW lieferbar.
Die entsprechenden Angebote finden Sie im Shop.
Sprechen Sie vor dem Kauf einer Feuerstelle grundsätzlich mit Ihrem zuständigen Schornsteinfegermeister. Lassen Sie Ihren Schornstein vor dem Einbau der Feuerstelle auf Verwendbarkeit prüfen. Beachten Sie grundsätzlich die Bedienungs- und Aufstellanleitungen und wahren Sie die erforderlichen Sicherheitsabstände. Lassen Sie die Feuerstelle vor der ersten Befeuerung durch den Bezirksschornsteinfegermeister abnehmen.























Rezensionen
Es gibt noch keine Rezensionen.